反击式破碎机电气控制柜电气原理简述
反击式破碎机需要电气控制柜来操控设备的启动和关闭,并且在维修时也需要控制柜电源的关闭控制,因此,电气控制柜对于破碎设备是非常重要的配套设备,今天应前不久有个客户需要这方面的资料,特分享一下恒源反击式破碎机的电路控制原理图,以便协助对方工作。以下分三部分简述以下反击破电气控制柜的基本知识:
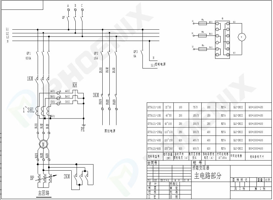
一、主电路部分
一、主电路部分
主电源由自动空气开关QF提供,自动开关QF1提供主电机电源,QF2提供泵站电源,QF3提供控制回路电源,交流接触器1KM、2KM、频敏变阻器BP完成主电机的启、停,3KM控制泵站电源。

图一:反击破主电路图

图二:反击式破碎机控制电路图
二、控制柜电气控制原理
1、启动:当主设备在可运行状态下,限位开关XK处于闭合位置,此时合上QF、QF1、QF3,把选择开关S12旋至工作位置,绿色信号灯HG亮,按下启动按钮SB21,1KM得电并自锁,主电机M在转子接入频敏变阻器BP的情况下启动,并缓漫加速,同时时间继电器1KT得电(1KT延时时间整定不能大于90秒),2KT得电(2KT延时时间大于1KT延时时间5~10秒),1KT延时时间到1KA得电、2KM得电,频敏变阻器BP被切除,主电机M启动结束进入正常工作;同时2KM得电断开2KT,2KT结束延时计时,绿色信号灯HG熄灭,红色信号灯HR亮,计时累加器time开始累计主机工作时间。
2、停机:按下停止按钮SS21,1KM失电,1KT、1KA、2KM同时失电,主机M自由停机,紧急停止按钮S11在紧急情况下便于操作。
3、保护:本电路设计得有过载、过流、短路保护,同时有启动异常保护,以免烧毁频敏变阻器,该保护由2KT、2KA完成,既:启动时1KM叩合,1KT、2KT同时得电并开始延时,但1KT延时时间比2KT短(一般可调短5~10秒),如果启动过程中1KT按时动作,但由于某种原因2KM未能吸合,频敏变阻器BP处于超时工作达到2KT延时时间后,2KA得电吸合,其触点2KA(13、15)断开,1KM失电切断电动机主回路,使频敏变阻器BP退出工作状态免于烧毁,同时2KA触点(7、35)接通声光报警器YF工作,说明启动有启动超时故障,应及时处理。

三、检修注意事项
在主电机检修时,必须断开自动空气开关QF1,合上QF2,将选择开关S12旋至揭盖位置,3KM得电,泵站电源接通,即可以进行揭盖检修,揭盖后限位开关XK断开,保证主电机不能启动,检修完毕后,合上盖子,XK闭合,表示设备处于可运行状态。
以上技术资料发布于中国大型破碎机、制砂机生产厂家:上海恒源冶金设备有限公司,转载此文请注明文章来源。
以上技术资料发布于中国大型破碎机、制砂机生产厂家:上海恒源冶金设备有限公司,转载此文请注明文章来源。
返回首页
破碎机经常超负荷运行有什么坏处?
2024-10-17
辉锑矿开采选矿冶炼全流程详解:从矿山到成品的完整指南
2025-03-24
2019年3月22日破碎机发货实况回顾
2019-05-12
推进固废资源化 建材行业必将迎来“朝阳”
2019-05-10
颚破的动颚护板如何拆除和安装
2020-05-23
时产200吨PE750*1060颚式破碎机发货至四川
2020-01-06
【破碎机配件】锤式破碎机轴承抱死是怎么回事?如何解决?看完祝你快速了解
2019-07-31
时产350吨PE1000*1200颚式破碎机发货至贵州
2020-01-09
湖南时产500吨砂石骨料生产线设备发货回顾
2019-10-02
每小时800吨制砂生产线设备怎么配?价格多少?
2020-03-29
2019上海破碎机行业面临新挑战,新机遇
2019-05-10
砂石供需矛盾突出,河南、福建、海南多地重视机制砂生产,机制砂迎来大发展!
2019-07-23
大型石头破碎设备日常运行的禁忌清单:确保生产安全与效率
2024-11-02
颚式破碎机在运用中小齿轮和轴承遇到的问题
2019-05-10
半干法制砂生产线如何设计方案?生产设备挑选及7大设计关键点详细介绍!
2019-11-18
细碎机配件种类及价格全面解析:助力您的高效生产
2024-11-25
上海恒源矿山设备减少圆锥破碎机易损件的磨损
2019-05-12
复合圆锥破碎机那些方法可以减缓它的振动问题?
2020-11-14
山碎牌pew液压颚破一体机详解
2019-05-10
矿山“巨无霸”CR240E矿车工业性试验,核心技术实现国产化
2019-11-29






